Jocec

Tabela de Referências

 

ACABAMENTO EM ZINCO BRANCO

COM ROLAMENTO BLINDADO

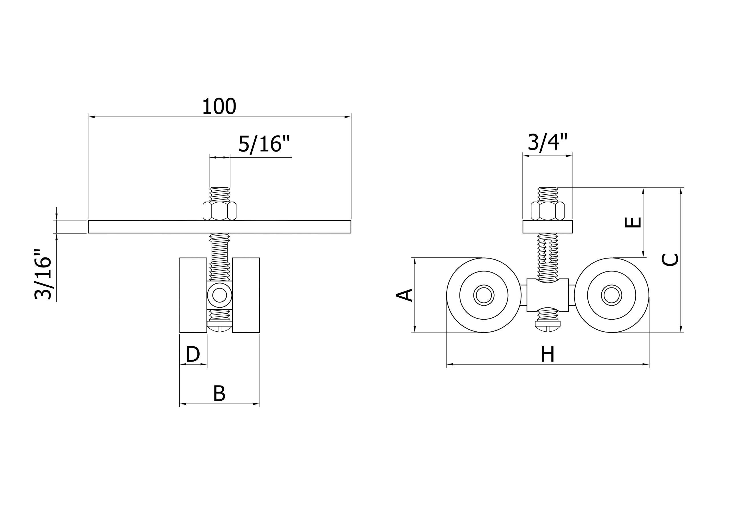
CÓDIGO REF. A B C D E F G H EMBAL. MASTER
072301 1” 25.4 25.3 63 6 38 5/16″ 73 26
072303 1 1/2″ 37.5 41.5 90 6 52 1/2″ 98 50
072304 1 3/4″ 44.5 41.5 92 6 49 1/2″ 106 24/26
072305 2″ 50 41.5 98 9 49 1/2″ 118 10

 

COM ROLAMENTO BLINDADO E SUPORTE DE FIXAÇÃO DE AÇO

CÓDIGO REF. A B C D E F G H EMBAL. MASTER
072401 1” 25.4 25.3 63 6 38 5/16″ 73 26
072403 1 1/2″ 37.5 41.5 90 6 52 1/2″ 98 50
072404 1 3/4″ 44.5 41.5 92 8 49 1/2″ 106 24/26

 

COM ROLAMENTO BLINDADO ABA E SUPORTE DE FIXAÇÃO DE AÇO

CÓDIGO REF. A B C D E F G H EMBAL. MASTER
072801 1” 28.5 29 62 10 33 5/16″ 76 26

 

 

Jocec

Somos referência na fabricação de ferragens e ferramentas para serralheria e construção civil. Nossa missão é desenvolver acessórios inovadores, duráveis e eficientes, facilitando o trabalho de serralheiros e construtores. Comprometidos com qualidade e excelência, seguimos aprimorando nossas soluções para impulsionar crescimento! Saiba mais em (14)3404-4111.